海洋之神灵犀X1 PowerFlow L28产品手册

发布时间:2025-01-14 15:27:03

1. 安全须知

· 了解产品:在使用该产品之前,请仔细阅读产品手册,了解产品的功能、操作方式以及安全注意事项。

· 遵循使用要求:确保机器在适宜环境中进行使用,避免过高或过低的温度、潮湿环境等。

· 电源安全:操作前确保所有电缆、插头、插座完好无损。遇到异常情况(如短路、过热等)时立即断开电源。

· 定期检查:定期进行维护和检查,确保机器的组件如电机、电源等正常运行,避免因老化或损坏导致的危险。

· 防止误用:确保机器不会用于任何不当、危险或法律禁止的场景。


2. 产品简介

2.1 产品概述

海洋之神灵犀X1 L28是一款高速度、大推力的通用推杆。采用高密度推力电机及高度集成驱动板,通过CANFD协议或4pin-USB控制,实现收缩/伸出功能,整机重量只有200g左右。

L28除了适合用于机器人之外,还适用于各种工业、服务领域。无论是用于设备的关键零部件,还是直接用于客户端,都有很好的效果。

20.png


2.2 主要特性

  • 低成本线性关节

  • CANFD接口

  • 高推力密度

  • 高集成度一体驱动


2.3 产品参数


参数

典型值

重量

0.21kg

最大推力

110N

最大速度

50mm/s

最大行程

24mm

额定工作电压

24V DC



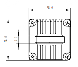
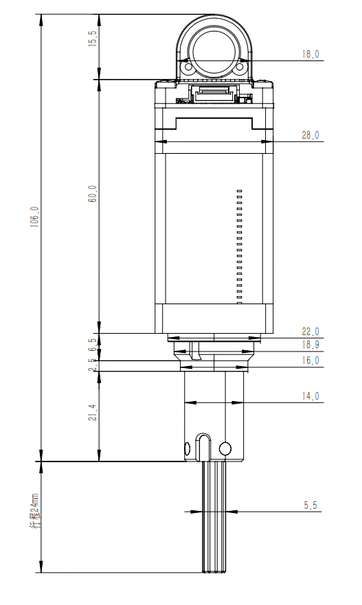
3. 产品尺寸信息

21.png

22.png

4. 电气接口互联

6PIN电源CAN通讯引脚定义:

序号

PIN定义

功能描述

1

DC-BUS

 

总电源输入 24V

2

DC-BUS

3

CAN_H

CAN总线-高

4

CAN_L

CAN总线-低

5

PGND

总电源地

 

6

PGND

3PIN烧录口引脚定义:

序号

PIN定义

功能描述

1

GND

电源地

2

SWCLK

烧录时钟线

3

SWDIO

烧录数据线


5. 上位机调试说明


5.1 使用方法

准备一台Windows系统的电脑,并下载上位机软件REF-CLI v1.0.3.exe

确保L28的行程中没有障碍物后,将L28上电。若一切正常,L28会自动收缩以寻找零位,若未能收缩则需停止使用,检查L28运动是否流畅。

用 USB-4pin数据线将L28连接至电脑,并打开上位机软件。等待上位机识别成功后,会有如下显示:

23.png

此时,编号为 00003982464D 的设备在上位机中的索引名为 ref0 。

在上位机中直接键入 ref0 并敲击回车,会显示当前L28的基本信息。根据下图所示,当前L28的固件版本为 206,CAN总线ID为1。

24.png


5.2 更改CAN-ID

ref0.can_node_id 代表CAN总线的节点ID。可以直接查看其数值,也可以使用 = 进行赋值。执行以下命令。

ref0.can_node_id=8    // CAN ID设置为8

25.png

所有的参数变更,都需要调用 save_config() 方法进行保存,而该操作需要在 失能 状态下进行。

ref0.motor.request_state(0)    // 先将L28失能, 0代表失能,1代表使能
 
      ref0.save_config()             // 保存所有参数

26.png

注:所有参数变更,都在保存并重新上电后生效。


5.3 控制L28运动

1. L28重新上电。(默认上电自使能)

2. 等待L28自动收缩至零点。

3. 连接上位机,并调用 set_pos(x) 方法设置其位置,其中x为伸出值,范围 0.0 - 9.5(对应至零点的距离为0 - 24mm,且为线性关系),0为全部收缩(即0mm),9.5为全部伸出(即24mm)。

   ref0.motor.ctrl.set_pos(0) // 将L28运动至零点处。
   ref0.motor.ctrl.set_pos(1) // 将L28运动至2.53mm处。
   ref0.motor.ctrl.set_pos(5) // 将L28运动至12.63mm处。
   ref0.motor.ctrl.set_pos(9.5) // 将L28运动至24mm处。


6. 通信接口及协议

PowerFlow系列执行器支持 CANFD 通信方式,仲裁域波特率 1M,采样点80%,数据域波特率5M,采样点75%。

L28在正常情况下,上电会自动使能并寻找零位,需要无须手动使能。


6.1 P2P模式

P2P模式下,上下行的报文ID相同,都是L28的节点ID,该参数可以在上位机中进行配置。

报文上下行的格式是一样的,下行报文解析后会按照同样的格式返回一帧状态数据,定义如下:

MSG ID

DLC

D0

D1

D2

D3

D4

D5

D6

D7

can_node_id

8

pos cmd/state - raw float

cur cmd/state - raw float

•cur cmd/state :电流数据,小端格式,float类型,单位为 安培,范围 0 ~ 2.5A

•pos cmd/state :位置数据,小端格式,float 类型,数值范围 0 ~ 10.0,与实际伸缩距离的对应关系如下:

推杆伸出长度(mm) = 2.54 * pos


6.2 广播模式

广播模式下,报文ID固定为0,数据域长度为64,具体定义如下:

MSG ID

DLC

D0 - D7

D8 - D15

D16 - D23

D24 - D31

D32 - D39

D40 - D47

D48 - D55

D56 - D63

0

64

id 1

id 2

id 3

id 4

id 5

id 6

id 7

id 8

每个节点根据其ID选用数据域中的8个字节,例如 ID为2的执行器取用的数据段为 D8 - D15,解析方法与 P2P模式 相同。

注:由于数据长度有限,该模式下每条总线最多串联8个节点,ID设置的范围为 1 - 8 。


7. 其他

本手册基于 PowerFlow L28 硬件 Ver1.1,软件 Ver2.0.6 编写。

其他产品手册中未注明事项,请查阅海洋之神官网,或联系海洋之神服务人员获取信息。